Subash Gautam

AI & Robotics Engineer

Developing intelligent systems that bridge the gap between artificial intelligence and real-world applications. Specializing in computer vision, machine learning, and autonomous robotics.

About Me

photo

AI & Robotics Engineer

With a passion for cutting-edge technology, I specialize in developing intelligent systems that can perceive, learn, and interact with the world around them.

My expertise spans computer vision algorithms, machine learning models, autonomous robotics, and embedded electronics - creating solutions that push the boundaries of what's possible.

From neural networks that can recognize complex patterns to robots that navigate autonomously, I bring AI concepts to life through practical, real-world applications.

My Work

computer vision computer vision computer vision

IPv6 Deployment on Campus Network
(Jul 2018 - Oct 2018)

This project focused on deploying IPv6 across a campus network to address the limitations of IPv4 and prepare for future demands. The transition involved implementing a dual-stack system where IPv4 and IPv6 coexisted, upgrading network devices, and configuring services like DNS and DHCP to support IPv6. The deployment aimed to expand address space, enhance security, and ensure the network was scalable and future-proof. Comprehensive testing and training were conducted to ensure a smooth transition, resulting in a modernised network infrastructure supporting the growing number of devices and emerging technologies.

computer vision computer vision

Gravitational Water Vortex Power Plant Pilot Project
(June 2016 - July 2016)

The gravitational water vortex power plant is an emerging technology in the context of low-head hydropower, providing a suitable option for rural electrification. There is an opportunity for power generation in remote villages where it is difficult and economically not viable to offer the national power grid. Its simple design also allows it to be fabricated in local introductory workshops, allowing the design to be replicated worldwide. Thus, this project can act as an exemplar project for further improvements in the design of the gravitational water vortex power plant, which is a stepping stone for promoting the production of “green energy” by offering new solutions to existing problems through technical innovations.

computer vision computer vision computer vision

Drone with video surveillance system and payload delivery and drop mechanism
(Jan 2015 - Feb 2015)

This project focuses on developing a versatile drone with a video surveillance system and a payload delivery and drop mechanism. The drone is designed to perform real-time aerial monitoring using a cloud-based IP camera, making it ideal for security and disaster management applications. Additionally, it features a robust payload delivery system that allows for the transportation and precise dropping of items, such as medical supplies or equipment, to targeted locations. By integrating these two functions into a single platform, the project aims to create a cost-effective, efficient solution for complex operations requiring surveillance and logistics capabilities.

computer vision computer vision computer vision

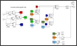
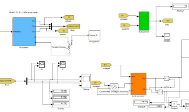
Maximum Power Point Tracker with Solar Prioritizer In Photovoltaic Application (Nov 2013 - Feb 2014)

The global use of solar photovoltaic systems is accelerating rapidly due to the ever-decreasing cost and improved cell efficiency. The variation in solar irradiance, weather conditions, and temperature causes solar cells' non-linear output V-I characteristics. An efficient maximum power point tracker is needed to get maximum power from the solar array instantaneously. This study has implemented the incremental conductance MPPT algorithm in hardware and compared the result with a software model using MATLAB/SIMULINK. This algorithm automatically changes the converter's duty cycle connected to the solar panel so that the panel voltage becomes equal to the voltage equivalent to the maximum power point at any level of insolation, temperature or load conditions. It was found that the software-modelled MPPT algorithm increased the PV output by 38 %, while it was 33% in hardware implementation. The prioritizer embedded in the system optimises the use of solar power rather than the utility grid.

computer vision computer vision computer vision

Line and wall following robot with obstacle detection
(Aug 2013 - Oct 2013)

A line following a robot is a fundamental concept of an autonomous vehicle that follows a predefined path, which can be a white or black stripe with a distinctive background. The path may also be designed to be magnetic, so the sensor should be able to detect magnetic fields. In our project, a White line with 2.5cm width is used with a black floor. Using a line array with five sensors and a built-in comparator provides enough information to track the white line and smooth the movement precisely. The Arduino Mega Development board provides enough input pins to connect lines, obstacle/wall sensors and motors. The PID algorithm is implemented to control the robot's movement as smoothly as possible by tuning the algorithm appropriately. There are myriad applications for robots where there is limited access for humans and risk to human beings. Also, there is a tremendous possibility of autonomous vehicles with different kinds of techniques like cameras, Laser, Magnetic tracks, etc, considering safety.

computer vision computer vision

National Robotics Competition (Theme: Navigate rough terrain and raise flag)
(Apr 2013 – May 2013)

The start-to-finish track where robots had to travel was hurdles, sand, pebbles, mud, and water, which represent the journey of a robot from Terai through hills and the destination at Mount Everest. The final part was to raise the flag. Robot “Nepali Keto” completed the track within two minutes and raised the flag 3.9m High.

Skills & Expertise

Machine Learning

Computer Vision

Robotics

Electronics

Python/TensorFlow

Embedded Systems

Data Science

Deep Learning

Beyond professional life

Drone Flying

3D Printing

Cycling

Electronics

Photography

Let's Build the Future Together

Ready to collaborate on cutting-edge AI and robotics projects? Let's discuss how we can push the boundaries of technology.